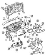
Instrument Panel for 2001 Dodge Durango
No.
Part # / Description / Price
Price
N/A
MSRP $11.90
$8.47
N/A
N/A
N/A
MSRP $17.10
$12.40
N/A
11
MSRP $15.85
$11.50
2 This part contains hazardous materials. Extra shipping costs apply.

Mopar