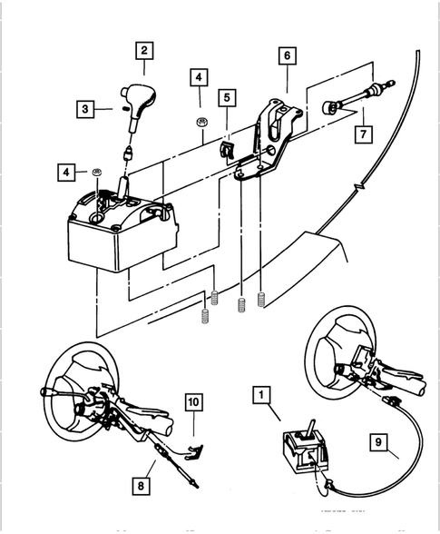
Gearshift Controls for 2001 Dodge Intrepid
No.
Part # / Description / Price
Price
4
Hex Lock Nut, Mounting
Mopar
Mopar Description: M8x1.25. Oil Pickup Tube To Cylinder Block
MSRP $9.20
$6.66
MSRP $9.20
$6.66
5
9
10
