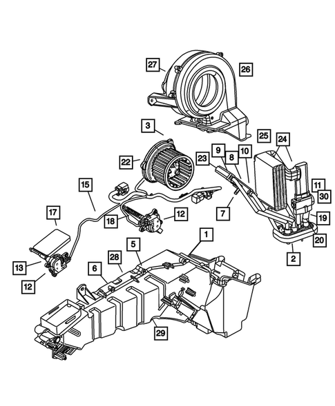
Air Conditioner and Heater Units for 2003 Dodge Durango
No.
Part # / Description / Price
Price
N/A
Hex Head Screw And Washer, Right
Mopar
Mopar Description: M6X1.00X25.00. Division Bar To Rear Door
MSRP $4.40
$3.09
MSRP $4.40
$3.09
N/A
Hex Head Screw And Washer, Mounting
Mopar
Mopar Description: .164-18x1.0. Inner Sill Exhaust Heat Shield To Frame
N/A
U Nut, Passenger Air Bag Door
Mopar
Mopar Description: M6x1.00. Bracket to Instrument Panel
MSRP $6.20
$4.36
MSRP $6.20
$4.36
N/A
M6 X 1.00 U-nut
Mopar
Mopar Description: M6x1.00. Radiator Upper Crossmember to Closer Brace
MSRP $8.90
$6.41
MSRP $8.90
$6.41
24
Blend Air Module
Mopar
Mopar Description: Module - blend air housing, - blend door diverter door ,- blend drive door, link - blend door shaft, blend air door.
No.
Part # / Description / Price
Price
5
MSRP $6.00
$4.24
6
MSRP $6.00
$4.24
13
30
MSRP $26.90
$19.30


