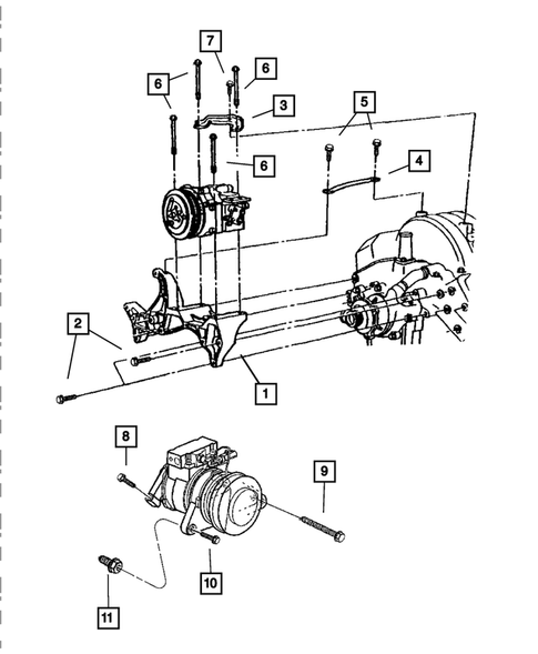
Air Conditioning Compressor Mounting for 2003 Dodge Durango
No.
Part # / Description / Price
Price
8
9
Hex Head Screw And Washer
Mopar
Mopar Description: M10X1.50X105.00. 0.375-16. Alternator to Front Cover
MSRP $8.75
$6.23
MSRP $8.75
$6.23
10
11
11
Screw And Washer
Mopar
Mopar Description: [m24x2.00x40.00]. A/C Unit mounting. [M24x2.0x40.0]. Head insert for Compressor Mounting. A/c to cyl head. HEVAC Mounting.
