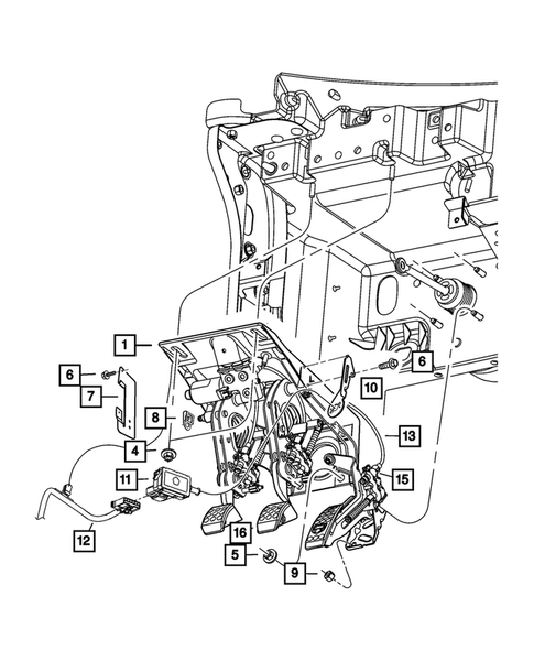
Accelerator Pedal for 2004 Dodge Viper
No.
Part # / Description / Price
Price
N/A
MSRP $26.95
$19.36
4
MSRP $9.35
$6.78
5
Hex Flange With Serration Nut, Mounting
Mopar
Mopar Description: Brake Master Cylinder and Booster to Dash
7
MSRP $45.55
$39.27
8
Master Cylinder Push Rod Pin Clip, Mounting
Mopar
Mopar Description: Master Cylinder Push Rod Pin
MSRP $2.45
$1.75
MSRP $2.45
$1.75
9
MSRP $8.55
$6.17
