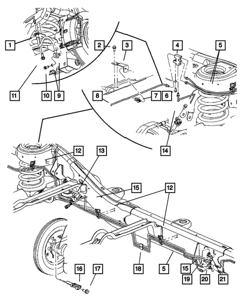
Hydraulic Control Unit, Brake Tubes and Hoses for 2008 Dodge Durango
No.
Part # / Description / Price
Price
2
Hex Head Screw
Mopar
Mopar Description: M8X1.25X25.00. Front End Module Ground Left To Hydrofprm. Engine Ground Right To Hydroform
MSRP $4.95
$3.57
MSRP $4.95
$3.57
3
6
Hex Head Tapping Screw & Washer, Mounting
Mopar
Mopar Description: M8x1.25x25.00. Tube and Hose Assembly to Rear Axle
MSRP $13.30
$9.56
MSRP $13.30
$9.56
9
Brake Hose To Caliper Gasket, Right Or Left
Mopar
Mopar Description: Brake Hose To Caliper
MSRP $9.20
$6.59
MSRP $9.20
$6.59
10
MSRP $7.95
$5.75
17
No.
Part # / Description / Price
Price
6
Abs Control Mounting Kit
Mopar
Mopar Description: Consists of 3 Isolators,2 Lock Nuts,2 Bushings
MSRP $17.60
$12.77
MSRP $17.60
$12.77
7
MSRP $9.45
$6.78
9
MSRP $10.05
$7.26
12
Hex Flange Head Tapping Screw, Mounting
Mopar
Mopar Description: M8x1.25x25.00. HCU Bracket to Frame
MSRP $4.40
$3.15
MSRP $4.40
$3.15
17
MSRP $7.95
$5.75
18
Brake Hose To Caliper Gasket, Right Or Left
Mopar
Mopar Description: Brake Hose To Caliper
MSRP $9.20
$6.59
MSRP $9.20
$6.59


