Engine Oiling, Oil Pan and Indicator (Dipstick) for 2008 Dodge Durango
Categories
- Camshaft and Valve
- Crankcase Ventilation
- Crankshaft, Piston, Drive Plate, Flywheel, and Damper
- Cylinder Block
- Cylinder Head
- Engine Identification, Service Engines & Engine Service Kits
- Engine Mounting
- Engine Oiling, Oil Pan and Indicator (Dipstick)
- Manifolds and Vacuum Fittings
- Timing Belt/Chain and Cover and Balance Shaft
- Camshaft and Valve
- Crankshaft, Piston, Drive Plate, Flywheel, and Damper
- Cylinder Block
- Cylinder Head
- Engine Identification, Service Engines & Engine Service Kits
- Engine Mounting
- Engine Oiling, Oil Pan and Indicator (Dipstick)
- Manifolds and Vacuum Fittings
- Timing Belt/Chain and Cover and Balance Shaft
- Battery, Battery Tray and Cables
- Consoles
- Generators / Alternators
- Horns
- Ignition - Spark Plugs, Cables, Coils, and Glow Plugs
- Instrument Panel
- Instrument Panel Cluster
- Keys, Modules and Engine Controllers
- Lamps-Interior and Exterior
- Navigation
- Park Assist
- Power Distribution Center, Fuse Block, Junction Block, Relays and Fuses
- Radio, Antenna, Speakers, DVD, and Video systems
- Sensors
- Speed Control
- Starters
- Switches
- Telecommunications
- Wiper and Washer System
- Wiring and Repair
- Wiring-Body and Accessories
- Wiring-Headlamp to Dash
- Wiring-Instrument Panel
- Wiring-Powertrain
- Carpets, Floor Mats, Load Floor, and Silencers
- Consoles
- Door Trim Panels-Front and Rear
- Front Seats - Adjusters, Recliners, Shields and Risers
- Front Seats - First Row
- Headliners-Visors-Assist Straps
- Instrument Panel
- Lift Gate Panel and Scuff Plate
- Panels-Moldings-Scuff Plates, Pillar, Cowl, 1/4 Panel Trim and Cargo Covers
- Rear Seats - Second Row
- Rear Seats - Third Row
- Camshaft and Valve
- Crankcase Ventilation
- Crankshaft, Piston, Drive Plate, Flywheel, and Damper
- Cylinder Block
- Cylinder Head
- Engine Identification, Service Engines & Engine Service Kits
- Engine Mounting
- Engine Oiling, Oil Pan and Indicator (Dipstick)
- Manifolds and Vacuum Fittings
- Timing Belt/Chain and Cover and Balance Shaft
- Camshaft and Valve
- Crankshaft, Piston, Drive Plate, Flywheel, and Damper
- Cylinder Block
- Cylinder Head
- Engine Identification, Service Engines & Engine Service Kits
- Engine Mounting
- Engine Oiling, Oil Pan and Indicator (Dipstick)
- Manifolds and Vacuum Fittings
- Timing Belt/Chain and Cover and Balance Shaft
- Battery, Battery Tray and Cables
- Consoles
- Generators / Alternators
- Horns
- Ignition - Spark Plugs, Cables, Coils, and Glow Plugs
- Instrument Panel
- Instrument Panel Cluster
- Keys, Modules and Engine Controllers
- Lamps-Interior and Exterior
- Navigation
- Park Assist
- Power Distribution Center, Fuse Block, Junction Block, Relays and Fuses
- Radio, Antenna, Speakers, DVD, and Video systems
- Sensors
- Speed Control
- Starters
- Switches
- Telecommunications
- Wiper and Washer System
- Wiring and Repair
- Wiring-Body and Accessories
- Wiring-Headlamp to Dash
- Wiring-Instrument Panel
- Wiring-Powertrain
- Carpets, Floor Mats, Load Floor, and Silencers
- Consoles
- Door Trim Panels-Front and Rear
- Front Seats - Adjusters, Recliners, Shields and Risers
- Front Seats - First Row
- Headliners-Visors-Assist Straps
- Instrument Panel
- Lift Gate Panel and Scuff Plate
- Panels-Moldings-Scuff Plates, Pillar, Cowl, 1/4 Panel Trim and Cargo Covers
- Rear Seats - Second Row
- Rear Seats - Third Row
Browse Categories
Select category
- Camshaft and Valve
- Crankcase Ventilation
- Crankshaft, Piston, Drive Plate, Flywheel, and Damper
- Cylinder Block
- Cylinder Head
- Engine Identification, Service Engines & Engine Service Kits
- Engine Mounting
- Engine Oiling, Oil Pan and Indicator (Dipstick)
- Manifolds and Vacuum Fittings
- Timing Belt/Chain and Cover and Balance Shaft
- Camshaft and Valve
- Crankshaft, Piston, Drive Plate, Flywheel, and Damper
- Cylinder Block
- Cylinder Head
- Engine Identification, Service Engines & Engine Service Kits
- Engine Mounting
- Engine Oiling, Oil Pan and Indicator (Dipstick)
- Manifolds and Vacuum Fittings
- Timing Belt/Chain and Cover and Balance Shaft
- Battery, Battery Tray and Cables
- Consoles
- Generators / Alternators
- Horns
- Ignition - Spark Plugs, Cables, Coils, and Glow Plugs
- Instrument Panel
- Instrument Panel Cluster
- Keys, Modules and Engine Controllers
- Lamps-Interior and Exterior
- Navigation
- Park Assist
- Power Distribution Center, Fuse Block, Junction Block, Relays and Fuses
- Radio, Antenna, Speakers, DVD, and Video systems
- Sensors
- Speed Control
- Starters
- Switches
- Telecommunications
- Wiper and Washer System
- Wiring and Repair
- Wiring-Body and Accessories
- Wiring-Headlamp to Dash
- Wiring-Instrument Panel
- Wiring-Powertrain
- Carpets, Floor Mats, Load Floor, and Silencers
- Consoles
- Door Trim Panels-Front and Rear
- Front Seats - Adjusters, Recliners, Shields and Risers
- Front Seats - First Row
- Headliners-Visors-Assist Straps
- Instrument Panel
- Lift Gate Panel and Scuff Plate
- Panels-Moldings-Scuff Plates, Pillar, Cowl, 1/4 Panel Trim and Cargo Covers
- Rear Seats - Second Row
- Rear Seats - Third Row
- Camshaft and Valve
- Crankcase Ventilation
- Crankshaft, Piston, Drive Plate, Flywheel, and Damper
- Cylinder Block
- Cylinder Head
- Engine Identification, Service Engines & Engine Service Kits
- Engine Mounting
- Engine Oiling, Oil Pan and Indicator (Dipstick)
- Manifolds and Vacuum Fittings
- Timing Belt/Chain and Cover and Balance Shaft
- Camshaft and Valve
- Crankshaft, Piston, Drive Plate, Flywheel, and Damper
- Cylinder Block
- Cylinder Head
- Engine Identification, Service Engines & Engine Service Kits
- Engine Mounting
- Engine Oiling, Oil Pan and Indicator (Dipstick)
- Manifolds and Vacuum Fittings
- Timing Belt/Chain and Cover and Balance Shaft
- Battery, Battery Tray and Cables
- Consoles
- Generators / Alternators
- Horns
- Ignition - Spark Plugs, Cables, Coils, and Glow Plugs
- Instrument Panel
- Instrument Panel Cluster
- Keys, Modules and Engine Controllers
- Lamps-Interior and Exterior
- Navigation
- Park Assist
- Power Distribution Center, Fuse Block, Junction Block, Relays and Fuses
- Radio, Antenna, Speakers, DVD, and Video systems
- Sensors
- Speed Control
- Starters
- Switches
- Telecommunications
- Wiper and Washer System
- Wiring and Repair
- Wiring-Body and Accessories
- Wiring-Headlamp to Dash
- Wiring-Instrument Panel
- Wiring-Powertrain
- Carpets, Floor Mats, Load Floor, and Silencers
- Consoles
- Door Trim Panels-Front and Rear
- Front Seats - Adjusters, Recliners, Shields and Risers
- Front Seats - First Row
- Headliners-Visors-Assist Straps
- Instrument Panel
- Lift Gate Panel and Scuff Plate
- Panels-Moldings-Scuff Plates, Pillar, Cowl, 1/4 Panel Trim and Cargo Covers
- Rear Seats - Second Row
- Rear Seats - Third Row
Engine Oiling, Oil Pan and Indicator (Dipstick) for 2008 Dodge Durango
No.
Part # / Description / Price
Price
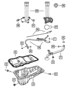
1
Hex Flange Head Bolt, Mounting
Mopar
Mopar Description: M6.3X1.81X15.00. Mounting Oil Level Indicator Tube To Intake Manifold
MSRP $4.20
$2.96
MSRP $4.20
$2.96
2
Oil Drain Plug
Mopar
Mopar Notes: Engines: 3.7L V6 ENGINE. ALL 4.7L V8 ENGINES. All V8 Engines.
Description: [m14x1.50x21.50]. Mega Cab. M14x1.5x20.0.
3
Hex Lock Nut, Mounting
Mopar
Mopar Description: M8x1.25. Oil Pickup Tube To Cylinder Block
MSRP $9.20
$6.66
MSRP $9.20
$6.66
6
Hex Head Bolt And Coned Washer, Mounting
Mopar
Mopar Notes: Engines: 4.7L V8 ENGINE. ALL 4.7L V8 ENGINES. ALL V6 ENGINES.
Description: M6X1.00X20.00. Mounting Oil Level Indicator Tube To Cylinder Block
MSRP $3.45
$2.42
MSRP $3.45
$2.42
8
Oil Pick Up Tube Seal
Mopar
Mopar Description: Included With Long Block Engine Install Kit
MSRP $7.70
$5.51
MSRP $7.70
$5.51
9
Stud, Mounting
Mopar
Mopar Description: M6.3X1.81X15.00. Engine Oil Pan To Cylinder Block
MSRP $5.20
$3.69
MSRP $5.20
$3.69
10
Hex Head Bolt And Coned Washer, Mounting
Mopar
Mopar Description: M8X1.25X27.00. Oil Pickup Tube To Cylinder Block
MSRP $2.95
$2.06
MSRP $2.95
$2.06
11
12
Engine Oil Indicator Tube O Ring
Mopar
Mopar Notes: Engines: 3.7L V6 ENGINE. ALL 4.7L V8 ENGINES. All V8 Engines.
Description: Included With Long Block Engine Install Kit
MSRP $15.20
$11.01
MSRP $15.20
$11.01
13
14
MSRP $27.75
$20.03
18
No.
Part # / Description / Price
Price
2
MSRP $17.00
$12.22
3
MSRP $88.10
$58.50
No.
Part # / Description / Price
Price
4
Hex Flange Head Bolt, Mounting
Mopar
Mopar Description: M8X1.25X60.00. Timing Chain Guide To Cylinder Block

