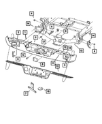
Rear Bumper and Fascia for 2009 Dodge Ram 3500
Vehicle
2009 Dodge Ram 3500
Change Vehicle
Categories
- Camshaft and Valve
- Crankcase Ventilation
- Crankshaft, Piston, Drive Plate, Flywheel, and Damper
- Cylinder Block
- Cylinder Head
- Engine Identification, Service Engines & Engine Service Kits
- Engine Mounting
- Engine Oil Cooler
- Engine Oiling, Oil Pan and Indicator (Dipstick)
- Manifolds and Vacuum Fittings
- Timing Belt/Chain and Cover and Balance Shaft
- Turbo and Super Chargers
- Battery, Battery Tray and Cables
- Generators / Alternators
- Horns
- Instrument Panel Cluster
- Keys, Modules and Engine Controllers
- Lamps-Interior and Exterior
- Navigation
- Power Distribution Center, Fuse Block, Junction Block, Relays and Fuses
- Radio, Antenna, Speakers, DVD, and Video systems
- Sensors
- Speed Control
- Starters
- Switches
- Telecommunication
- Wiper and Washer System
- Wiring and Repair
- Wiring-Body and Accessories
- Wiring-Headlamp to Dash
- Wiring-Instrument Panel
- Wiring-Powertrain
- Carpets, Floor Mats, Load Floor, and Silencers
- Consoles
- Door Trim Panels-Front and Rear
- Front Seats - Adjusters, Recliners, Shields and Risers
- Front Seats - First Row
- Headliners-Visors-Assist Straps
- Instrument Panel
- Panels-Moldings-Scuff Plates, Pillar, Cowl, 1/4 Panel Trim and Cargo Covers
- Rear Seats - Second Row
- Rear Storage Compartment
- Camshaft and Valve
- Crankcase Ventilation
- Crankshaft, Piston, Drive Plate, Flywheel, and Damper
- Cylinder Block
- Cylinder Head
- Engine Identification, Service Engines & Engine Service Kits
- Engine Mounting
- Engine Oil Cooler
- Engine Oiling, Oil Pan and Indicator (Dipstick)
- Manifolds and Vacuum Fittings
- Timing Belt/Chain and Cover and Balance Shaft
- Turbo and Super Chargers
- Battery, Battery Tray and Cables
- Generators / Alternators
- Horns
- Instrument Panel Cluster
- Keys, Modules and Engine Controllers
- Lamps-Interior and Exterior
- Navigation
- Power Distribution Center, Fuse Block, Junction Block, Relays and Fuses
- Radio, Antenna, Speakers, DVD, and Video systems
- Sensors
- Speed Control
- Starters
- Switches
- Telecommunication
- Wiper and Washer System
- Wiring and Repair
- Wiring-Body and Accessories
- Wiring-Headlamp to Dash
- Wiring-Instrument Panel
- Wiring-Powertrain
- Carpets, Floor Mats, Load Floor, and Silencers
- Consoles
- Door Trim Panels-Front and Rear
- Front Seats - Adjusters, Recliners, Shields and Risers
- Front Seats - First Row
- Headliners-Visors-Assist Straps
- Instrument Panel
- Panels-Moldings-Scuff Plates, Pillar, Cowl, 1/4 Panel Trim and Cargo Covers
- Rear Seats - Second Row
- Rear Storage Compartment
Browse Categories
Select category
- Camshaft and Valve
- Crankcase Ventilation
- Crankshaft, Piston, Drive Plate, Flywheel, and Damper
- Cylinder Block
- Cylinder Head
- Engine Identification, Service Engines & Engine Service Kits
- Engine Mounting
- Engine Oil Cooler
- Engine Oiling, Oil Pan and Indicator (Dipstick)
- Manifolds and Vacuum Fittings
- Timing Belt/Chain and Cover and Balance Shaft
- Turbo and Super Chargers
- Battery, Battery Tray and Cables
- Generators / Alternators
- Horns
- Instrument Panel Cluster
- Keys, Modules and Engine Controllers
- Lamps-Interior and Exterior
- Navigation
- Power Distribution Center, Fuse Block, Junction Block, Relays and Fuses
- Radio, Antenna, Speakers, DVD, and Video systems
- Sensors
- Speed Control
- Starters
- Switches
- Telecommunication
- Wiper and Washer System
- Wiring and Repair
- Wiring-Body and Accessories
- Wiring-Headlamp to Dash
- Wiring-Instrument Panel
- Wiring-Powertrain
- Carpets, Floor Mats, Load Floor, and Silencers
- Consoles
- Door Trim Panels-Front and Rear
- Front Seats - Adjusters, Recliners, Shields and Risers
- Front Seats - First Row
- Headliners-Visors-Assist Straps
- Instrument Panel
- Panels-Moldings-Scuff Plates, Pillar, Cowl, 1/4 Panel Trim and Cargo Covers
- Rear Seats - Second Row
- Rear Storage Compartment
- Camshaft and Valve
- Crankcase Ventilation
- Crankshaft, Piston, Drive Plate, Flywheel, and Damper
- Cylinder Block
- Cylinder Head
- Engine Identification, Service Engines & Engine Service Kits
- Engine Mounting
- Engine Oil Cooler
- Engine Oiling, Oil Pan and Indicator (Dipstick)
- Manifolds and Vacuum Fittings
- Timing Belt/Chain and Cover and Balance Shaft
- Turbo and Super Chargers
- Battery, Battery Tray and Cables
- Generators / Alternators
- Horns
- Instrument Panel Cluster
- Keys, Modules and Engine Controllers
- Lamps-Interior and Exterior
- Navigation
- Power Distribution Center, Fuse Block, Junction Block, Relays and Fuses
- Radio, Antenna, Speakers, DVD, and Video systems
- Sensors
- Speed Control
- Starters
- Switches
- Telecommunication
- Wiper and Washer System
- Wiring and Repair
- Wiring-Body and Accessories
- Wiring-Headlamp to Dash
- Wiring-Instrument Panel
- Wiring-Powertrain
- Carpets, Floor Mats, Load Floor, and Silencers
- Consoles
- Door Trim Panels-Front and Rear
- Front Seats - Adjusters, Recliners, Shields and Risers
- Front Seats - First Row
- Headliners-Visors-Assist Straps
- Instrument Panel
- Panels-Moldings-Scuff Plates, Pillar, Cowl, 1/4 Panel Trim and Cargo Covers
- Rear Seats - Second Row
- Rear Storage Compartment
No.
Part # / Description / Price
Price
1
3
MSRP $130.00
$85.91
3
MSRP $125.00
$82.97
4
10
MSRP $121.00
$80.03
12
Hex Nut And Washer
Mopar
Mopar Description: M10x1.5. Engine Mount To Engine Mount Bracket. Engine Mount To Engine Mount Bracket
17
Hex Flange Lock Nut, Mounting
Mopar
Mopar Notes: Transmissions: 6-SPEED MANUAL G56 TRANSMISSION.
Description: M10x1.50. Drive Shaft Center Bearing to Center Bearing Bracket
MSRP $6.75
$4.90
MSRP $6.75
$4.90
